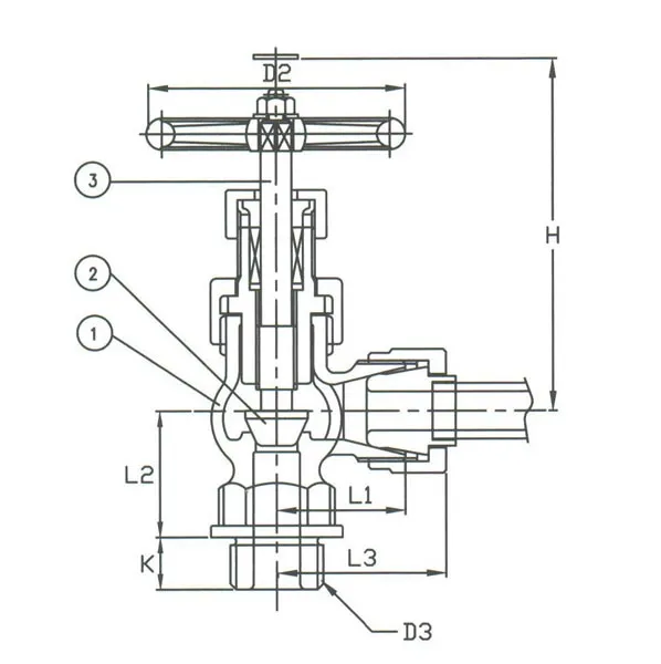
1 – Body – Bronze – BC6
2 – Disc – Bronze – BC6
3 – Stem – Brass – C3771BD
Manufactured in accordance to JIS F7400
| Size | Pipe Out Dia – Copper | Pipe Put Dia – Copper | L1 | L2 | L3 |
| 006 | 10.5 mm | 8.0 mm 10.0 mm |
32.0 mm | 32.0 mm | 41.0 mm |
| 010 | 17.3 mm | 15.0 mm | 39.0 mm | 35.0 mm | 51 mm |
| 015 | N/A | N/A | N/A | N/A | N/A |
| 020 | N/A | N/A | N/A | N/A | N/A |
