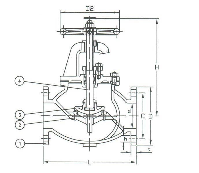
1 – Body – Cast Iron – FC20
2 – Seat – Bronze – BC6
3 – Disc – Bronze – BC6
4 – Stem – Brass – C3771BD
Manufactured in accordance to JIS F7400
| SIZE | L | D | C | NO. OF HOLES | h |
| 050A | 210 mm | 130 mm | 105 mm | 4 | 15 mm |
| 065A | 250 mm | 155 mm | 130 mm | 4 | 15 mm |
| 080A | 280 mm | 180 mm | 145 mm | 4 | 19 mm |
| 100A | 340 mm | 200 mm | 165 mm | 8 | 19 mm |
| 125A | 410 mm | 235 mm | 200 mm | 8 | 19 mm |
| 150A | 480 mm | 265 mm | 230 mm | 8 | 19 mm |
| 200A | 570 mm | 320 mm | 280 mm | 8 | 23 mm |
| 250A | 740 mm | 385 mm | 345 mm | 12 | 23 mm |
| 300A | 840 mm | 430 mm | 390 mm | 12 | 23 mm |
| 350A | 940 mm | 480 mm | 435 mm | 12 | 25 mm |
| 400A | 1050 mm | 540 mm | 495 mm | 16 | 25 mm |
